Электромонтаж проводки в жилых домах и квартирах бывает двух основных видов — скрытая и открытая. Каждый из них имеет свои особенности монтажа, материалы и требования безопасности. В данной статье подробно рассмотрим преимущества и недостатки скрытой и открытой проводки, а также правила их установки.

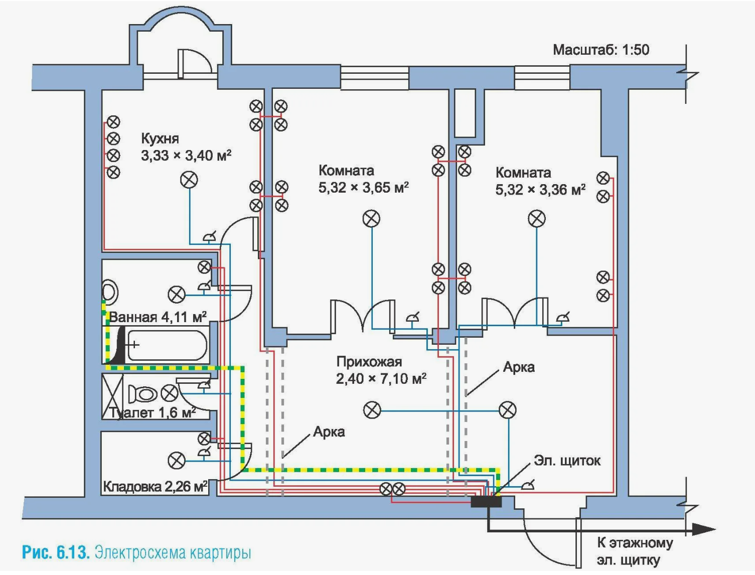
В большинстве частных домов и почти во всех квартирах проводка скрытая. При монтаже скрытой проводки в оштукатуренных стенах и потолках пробивают неглубокие борозды, в которые укладываются электрические провода. После завершения монтажа электропроводки борозды заштукатуриваются цементным раствором или алебастром. Если монтаж скрытой проводки производится в строящемся доме, то нужда в пробивке борозд отпадает. Сначала производится монтаж проводки, провода закрепляются гвоздями, вбиваемыми в раствор между кирпичами, или креплением их к стене алебастром в нескольких точках, потом делается оштукатуривание стен и потолка, и провода оказываются под слоем штукатурки.
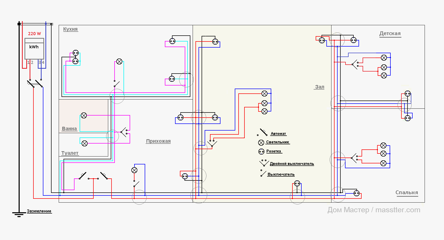
В местах соединений проводов устанавливаются распределительные коробки, в которые прячутся все скрутки проводов. Разветвительные коробки должны быть установлены на уровне поверхности стены, заподлицо с ней. Закрываются коробки из соображений безопасности и эстетических пластмассовыми крышками. Для установки розеток и выключателей используются такие же разветвительные коробки. Они бывают изготовленными из стали или пластмассы. Розетки и выключатели применяются при монтаже тоже в исполнении для скрытой проводки. После установки они практически не выступают над поверхностью стен.
Для монтажа скрытой проводки используется медный и алюминиевый провод в поливинилхлоридной изоляции, медный — сечением не менее 1 мм2, алюминиевый — не менее 2,5 мм2. В квартирах монтаж скрытой проводки осуществляется в каналах, заранее сделанных в бетонных стенах и перекрытиях. Поэтому живущим в квартирах нужно быть очень осторожными при различных переключениях электрических проводов и замене выключателей и розеток. Чтобы заменить или даже дорастить электропровод, который вы неосторожно обломили, придется сбивать кафельную плитку, которую вы, возможно, совсем недавно положили, иначе до места соединения проводов вам не добраться.
Открытый электромонтаж проводки делается по поверхности стен и потолков. Для ее монтажа используют медные или алюминиевые провода с резиновой изоляцией, покрытые слоем поливинилхлорида. Можно для монтажа применять также медные и алюминиевые провода с изоляцией из одного поливинилхлорида, но только при наличии у провода разделительного основания, отделяющего одну жилу провода от другой. Электрические провода открытой проводки закрепляются на стенах и потолке при помощи роликов, изготовленных из изолирующего материала — фарфора. В каждом ролике имеется ось отверстия, через которое продевается гвоздь, крепящий ролик с надетыми на него проводами к стене.
Наименьшее сечение провода, используемого для монтажа открытой проводки: медного — 1 мм2, алюминиевого — 2,5 мм2. Провода при монтаже горизонтального участка проводки по стенам кладут параллельно линиям пересечения стен и потолка на расстоянии не менее 100 мм и не более 200 мм от потолка или карниза. Вертикальную часть проводки (спуски, подъемы) выполняют перпендикулярно плоскости потолка. Около дверей и окон провод прокладывают на расстоянии 100 мм от края обрамления двери или окна. Ролики для крепления провода располагаются на расстоянии 50 см один от другого.
Выключатели и розетки при открытой проводке крепятся не непосредственно к поверхности стены, а на специальные изоляционные подкладки, сделанные из сухого дерева и называемые подрозетниками. Подрозетник крепится к стене длинным шурупом, а к нему уже при помощи двух маленьких шурупов прикручивается выключатель или розетка. Сами выключатели и розетки для открытой проводки отличаются от предназначенных для скрытой проводки и по внешнему виду, и по способу закрепления на стене, поскольку вследствие специфики монтажа располагаются не в стене, а на ее поверхности. В подвале дома из-за опасных условий (сырость, токопроводящие полы и стены), выключатель ставить нельзя, его устанавливают на стене кухни. Сейчас открытая проводка в домах встречается редко, но это смотря где. В доме с деревянными стенами другую проводку сделать просто невозможно.
Параметр | Скрытая проводка | Открытая проводка |
Место прокладки | Внутри стен и потолков | По поверхности стен и потолков |
Внешний вид | Не видна, скрыта под штукатуркой | Видна на поверхности, требует изоляции |
Материалы проводов | Медные и алюминиевые с ПВХ изоляцией | Медные и алюминиевые с резиновой или ПВХ изоляцией |
Установка розеток | Заподлицо со стеной | На поверхности с использованием подрозетников |
Сложность ремонта | Высокая, требуется вскрытие стен | Простая, легкий доступ к проводам |
Применение | Современные квартиры и дома | Деревянные дома, технические помещения |

Заключение
Выбор между скрытой и открытой проводкой зависит от особенностей помещения, строительных материалов и эстетических предпочтений. Скрытая проводка более удобна и безопасна для жилых помещений, но требует тщательного планирования и аккуратного монтажа. Открытая проводка проще в установке и обслуживании, но менее привлекательна внешне и подходит в основном для деревянных домов и вспомогательных помещений.